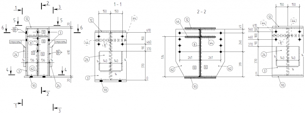
Надколонники являются одними из главных деталей опор в каркасе строения. Они обладают, чаще всего, двутавровым сечением, а сектор колонны снизу имеет несколько ветвей которые объединены по средствам решетки, выполненной из уголков. Для соединения с нижним сектором применяются траверсы двутаврового сечения.
Металлоконструкции данного типа обеспечивают прочную связь покрытия с колоннами, которые в свою очередь передают массу фундаменту. Их закрепление выполняется болтовыми соединениями или сваркой.
ТМПЗ специализируется на создании любых в том числе и нестандартных конструкций из металлопрофиля на заказ. Мастера компании производят изделия любого типа сложности, необходимые для установки и обустройства любых по назначению зданий и сооружений, а также для решения нестандартных задач. У нас вы можете заказать надколонники, применимые в качестве верхней части подкрановой колонны, несущей покрытия.
Особенности надколонников
Данное изделие – один из основных элементов опор в каркасе строительства. Они обладают, сплошным двутавровым сечением, а у нижнего сектора колонны в состав входят две ветви, соединенные посредством решетки из уголка. Для фиксации надколонника и нижнего сектора, применяются траверсы двутаврового сечения.

Изготовление включает в себя следующие стадии:
- проектирование и разработка схем чертежей КМД;
- определение технологического процесса производства
- нормирование марок, исходя из схем, по производственной технологии;
- формирование заказ-наряда на выполнение раскроя двутавров, производство деталей (заготовок);
- отправка заготовок на стапель, нанесение нужной разметки на сталь с дальнейшей сваркой пластин;
- контроль геометрии, а также правильного положения элементов;
- сварка изделий изделий толщиной необходимого катета, приведенной в деталировочных схемах;
- сварка надколонников полуавтоматической системой в области углекислого газа;
- очистка сварных мест от шлака, маркировка и избавление от окалины с готовых изделий;
- проверка качества сварных швов выходного изделия;
- передача надколонника на покраску;
- проверка качества готовой продукции.
